PerformanceRunner(压力测试软件) V1.1.3.1 官方版下载
使用官方应用商店下载应用,避免下载盗版软件。 #生活技巧# #数码产品使用技巧# #数码产品安全防护#
PerformanceRunner是一款专业商业化的性能测试工具,通过模拟海量用户并发测试整个系统的承受能力,实现压力测试、性能测试、配置测试、峰值测试等。最大限度地缩短测试时间,优化性能和加速应用系统的发布周期。

【功能特点】
软件分为三个模块:生成器,执行器,分析器
1、生成器
录制、编辑、回放脚本
录制脚本,通过过监听应用程序的协议和端口,录制应用程序的协议和报文,创建测试脚本;
编辑脚本,可以在脚本中添加校验点、集合点并实现参数化,可以最大程度上满足测试需求。
回放脚本,PerformanceRunner采用java作为标准测试脚本,对已经录制的脚本在PerformanceRunner中再次运行,通过回放,可以排除录制脚本时可能产生的错误,为下一步执行场景做好铺垫。
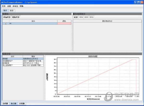
2、执行器
设计并运行场景
场景设计视图中包含了三个部分,分别是场景组管理、预期指标管理、场景计划管理,可以为该场景添加虚拟用户的数量以及虚拟用户启动、停止的规则,还可以设置IP欺骗,远程监控服务器等。
设计场景完成后,即可运行场景,场景运行界面分为五个部分,主要包括用户状态区、事务统计区、图表树、性能波形图、性能数据统计分析。可以看到实时的数据统计图如,VU图、事务图、WEB资源图、被测系统性能监视图等。
3、分析器
分析图可以帮助您确定系统性能并提供有关事务及Vuser的信息。通过合并多个负载测试场景的结果或将多个图合并为一个图,可以比较多个图。分析器主要通过图表:虚拟用户图、事务概要图、事务响应时间图、每秒事务图、事务性能概要图、 每秒点击量等进行常用性能分析。

【软件特性】
录制测试脚本
PR通过兼听应用程序的协议和端口,录制应用程序的协议和报文,创建测试脚本。PR采用java作为标准测试脚本,支持参数化、检查点等功能。
关联与session
对于应用程序,特别是B/S架构程序中的session,通过“关联”来实现。用户只需要点击“关联”的按钮,PR会自动扫描测试脚本,设置关联,实现有session的测试。
集合点
PR支持集合点,通过函数可以设置集合点。设置集合点能够保证在一个时间点上的并发压力达到预期的指标,使性能并发更真实可信。
产生并发压力
性能脚本创建之后,通过创建项目,设置压力模型,就可以产生压力。
PR能够在单台机器上产生多达5000个并发的压力。
应用场景支持
通过设置多项目脚本的压力曲线,可以实现应用场景测试。
执行监控
在启动性能测试之后,系统会按照设定的场景产生压力。在执行过程中,需要观察脚本执行的情况,被测试系统的性能指标情况。PR通过执行监控来查看这些信息。
性能分析报表
一次性能测试执行完成,会创建各种性能分析报表,包括cpu相关、吞吐率、并发数等。
网址:PerformanceRunner(压力测试软件) V1.1.3.1 官方版下载 https://www.yuejiaxmz.com/news/view/1355636
相关内容
泽众PerformanceRunner短信压力测试软件app下载
dx压力测试软件轰炸下载
短信压力测试软件手机版下载
软件压力测试报告要怎么写,如何做接口压力测试?压力测试报告应该包含哪些结果?...
测测心理压力承受度安卓版官方下载
短信压力测试器最新版软件下载
鬼影防火墙压力测试软件下载
短信压力测试app软件手机版下载
DX压力测试软件最新版下载

