[题目]能源.信息和材料是现代社会发展的三大支柱.下列说法错误的是A. 在倡导“节能环保 “低碳生活 的今天.人类特别重视太阳能的利用B. 超导材料可应用于电饭锅和远距离输电线C. 卫星导航在传递信息过程中主要依靠电磁波D. 光纤具有抗干扰.信号衰减小的特点.适用于远距离.大容量信息传输 题目和参考答案——青夏教育精英家教网——
使用哨子做信号,远距离传递求救信息 #生活常识# #应急生存技巧# #野外求生工具#
【题目】能源、信息和材料是现代社会发展的三大支柱。下列说法错误的是
A. 在倡导“节能环保”“低碳生活”的今天,人类特别重视太阳能的利用
B. 超导材料可应用于电饭锅和远距离输电线
C. 卫星导航在传递信息过程中主要依靠电磁波
D. 光纤具有抗干扰、信号衰减小的特点,适用于远距离、大容量信息传输
试题答案在线课程【答案】B
【解析】试题分析:超导体的电阻为零,不会放热,所以电能无法转化为内能,所有利用电流热效应工作的电器设备都不能用超导材料制作.故超导材料不能应用于电饭锅.超导体的电阻为零,也就避免了内能的损耗,适合制作远距离输电导线.其它三项说法正确。
故选B.
练习册系列答案
 
更多初中、高中辅导课程推荐,点击进入>>
相关习题
科目:初中物理来源:题型:
【题目】物体从光滑的斜面滑下的过程中(不计空气阻力),受到的力有( )
A. 重力和支持力 B. 重力、支持力和下滑力
C. 重力、下滑力和摩擦力 D. 重力和下滑力
查看答案和解析>>
科目:初中物理来源:题型:
【题目】汽油机工作的四个冲程中,_____ 冲程将内能转化为机械能,将机械能转化为内能的是______ 冲程.
查看答案和解析>>
科目:初中物理来源:题型:
【题目】(1)如图所示,小永同学为了测量永春老醋的密度,进行以下实验:把天平放在水平桌面上,将游码移至零刻度处,然后调节________,使天平横梁平衡。 接下来进行以下3项操作:

A.用天平测量烧杯和剩余老醋的总质量m1;
B.将待测老醋倒入烧杯中,用天平测出烧杯和老醋的总质量m2;
C.将烧杯中老醋的一部分倒入量筒,测出这部分老醋的体积V;
以上操作的正确顺序是:__________(填字母代号)。
由上图可得,老醋的密度是_____㎏/m3。
(2)如图,在“观察水的沸腾”的实验中; 为了节约能源适当缩短实验时间,可以采取的措施有(写出一种):______________.

查看答案和解析>>
科目:初中物理来源:题型:
【题目】石洞口电站第一台发电机组的功率为3×105千瓦,它工作10分钟,做的功是:
A. 3×106焦; B. 1.8×1011焦; C. 3×109焦; D. 1.8×l06焦.
查看答案和解析>>
科目:初中物理来源:题型:
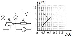
【题目】如图所示电路,电源电压保持不变。闭合开关S,当滑动变阻器的滑片P从a端滑到b端的过程中,R1、R2的U-I关系图象如图所示。则下列判断正确的是( )

①图线甲是电阻R1的“U-I”关系图象
②电源电压为12V
③电阻R1的最小电功率为2.7W
④滑动变阻器R2的最大阻值为30Ω
A. 只有①③正确 B. 只有①④正确
C. 只有②④正确 D. 只有②③正确
查看答案和解析>>
科目:初中物理来源:题型:
【题目】某种型号太阳能热水器贮水100kg在太阳照射下8h,装满水的太阳能热水器中水温升高50℃.已知此热水器太阳能转化为水的内能的效率为70%;水的比热容4.2×103J/(kg℃).试计算:
(1)太阳能热水器照射8h,热水器中吸收的热量?
(2)如热水器所接收到的太阳能由热值为3×107J/kg的焦炭提供,需完全燃烧多少焦炭?
查看答案和解析>>
科目:初中物理来源:题型:
【题目】用天平和量筒测量形状不规则小石块的密度,下列步骤不需要的是( )
A. 用天平测量小石块的质量m1
B. 用天平测量量筒的质量m2
C. 在量筒内倒入适量的水,记下量筒中水的体积V1
D. 用细线系住小石块,浸没在量筒的水中,记下量筒中石块和水的总体积V2
查看答案和解析>>
科目:初中物理来源:题型:
【题目】如图所示,电源电压保持12V不变,滑动变阻器的滑片P滑动到中点时,电压表的示数为8V,电流表示数为0.4A,求:

(1)电阻R1的电阻值;
(2)将滑片P移动到最右端B时,电流表示数是多少?
查看答案和解析>>
网址:[题目]能源.信息和材料是现代社会发展的三大支柱.下列说法错误的是A. 在倡导“节能环保 “低碳生活 的今天.人类特别重视太阳能的利用B. 超导材料可应用于电饭锅和远距离输电线C. 卫星导航在传递信息过程中主要依靠电磁波D. 光纤具有抗干扰.信号衰减小的特点.适用于远距离.大容量信息传输 题目和参考答案——青夏教育精英家教网—— https://www.yuejiaxmz.com/news/view/1400855
相关内容
随着生活水平的提高.新型智能扫地机器人逐步进入普通家庭.如图是某型号扫地机器人.该机前置大半径旋转式双边刷.中设V型滚刷.后置拖布.集扫卷拖于一体.高效干净,还具有定时预约清扫.智能远程操控.智能回归充电等功能.其铭牌上的部分参数如下表.请解答下列有关问题. 工作电压15V额定功率30W电池容量2000mAh充电时间5h平均速度0.3m/s(1)扫地机器人持� 题目和参考答案——青夏教育精英家教网——m3) ( ) A. 2.5 kg B. 25 kg C. 250 kg D. 2500 kg——青夏教育精英家教网——
什么是用户与计算机进行通话,1.手机与固定电话使人们生活中的信息交流更方便.快捷.通过学习有关知识.手机与固定电话分别是利用什么来传递声音信息的?...
[题目]日常生活中应节约能源.下列符合节能做法的是( )A. 白天长时间开着走廊电灯 B. 白天尽量利用自然光C. 家庭空调长时间设置在18°C D. 电脑长时间不用时保持开机状态 题目和参考答案——青夏教育精英家教网——
无线通信是怎样传递信息的?技术原理及常用类型科普
实现“低碳经济 的一种策略是节约能源.如图所示的四种制取氧气的方法中最节能的是( )A.①B.②C.③D.④ 题目和参考答案——青夏教育精英家教网——
实现“低碳经济 的一种策略是节约能源.如右图所示的四种制取氧气的方法中最节能的是A. ① B. ② C. ③ D. ④ 题目和参考答案——青夏教育精英家教网——
化学与工农业生产和人类生活密切相关。下列说法中不正确的是:A.使用太阳能等代替化石燃料符合低碳节能减排的要求B.油脂在碱性条件下水解可制得肥皂C.海轮题目答案解析,化学与工农业生产和人类生活密切相关。下列说法中不正确的是:A.使用太阳能等代替化石燃料符合低碳节能减排的要求B.油脂在碱性条件下水解可制得肥皂C.海轮题目答案解析
第二十一章信息的传递(知识清单)九年级物理全一册(人教版)(教师版).docx
5.在一间普通教室.室内空气质量大约是(ρ空气=1.29 kg / m3) ( ) A. 2.5 kg B. 25 kg C. 250 kg D. 2500 kg——青夏教育精英家教网——

