国产32位MCU应用于微波炉上的方案开发,助力微波炉智能化升级
微波炉工作时,不要移动微波炉的位置。 #生活常识# #微波炉#
智能微波炉的工作原理是将食物放入微波场,吸收微波能量,从而加热自身;一般来说,当微波辐射应用于食品时,由于食品中含有一定量的水,在微波辐射的作用下,水分子会被加热和移动,在移动过程中水分子之间会发生摩擦,这会提高水的温度,因此食品的温度也会升高,被成功加热。

工采网提供国产32位MCU应用于微波炉上的解决方案开发,助力微波炉产品智能化升级,不断满足新时代日益丰富多元的健康饮食消费需求。
解决方案如下:
微波炉控制系统设计采由工采网代理提供的32位高性能低成本单片机/MCU-APT32F171系列微控制器(MCU)为核心,基于MCU编制软件系统,结合8位数码管(LED)显示以及必要的外围电路,完成微波炉的可编程智能控制。系统由计时控制、火力设定、用户界面、音响发生几大模块组成。能够根据键盘输入完成相应的功能,同时使用LED显示系统状态,并进行响铃提示。

在微波炉中,微控制器通过一个外部ADC接收模拟输入(重量传感器、湿度传感器、容量传感器、CT电流传感器)。通过板上RTD和热敏电阻实现温度感应,并采用外部EEPROM存储数据等。
芯片特点介绍:
APT32F171系列芯片,具备宽电压、高信噪比,优异的EFT、CS、ESD性能,CS通过10V 0.15~230MHz A级测试,EFT通过±4KV A级测试,ESD通过HBM 4000V,MM200V,CDM500V测试。

工作电压范围1.8V-5.5V,主频最高可达48MHz,片载64K(32Kbytes可选)程序闪存,独立2Kbytes数据闪存,含8Kbytes SRAM,丰富外设接口UART/USART.
支持硬件CRC,独立硬件除法器,支持低电压检测,支持内部模块互联触发,搭载增强型PWM,12位高精度的ADC,COMP,模拟OP等功能。
以上这些特性使该系列单片机可以广泛地适用于各种应用,如电动工具、BLDC马达、变频电源、光伏逆变,RH电饭煲,工业控制等领域。
方案框图:

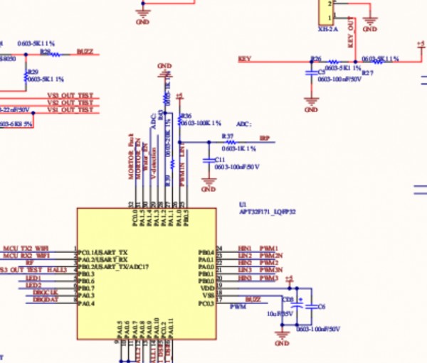
电路图:

MCU使用资源:
◆BT定时器:基础定时,用作系统的基础时钟
◆GPIO:IO做控制信号输出
◆PWM:死区互补PWM输出
◆OP:1路模拟OP,放大电流
◆ADC:检测电流
◆COMP:比较系统设定的保护点并于EPWM联动
◆Timer:捕捉外部输入脉冲,设置定时时间
方案特点:
(1)控制电路模块化设计,外围电路简单
(2)方案能耗低
(3)功率动态可调,电源频率任意地变换成10000至30000赫兹的高频率输出
(4)死区保护,过载保护,紧急刹车,欠压过流检测
(5)输出错误信息
(6)高抗干扰性,产品通过CS 10V 150KHz~230MHz动态测试,EFT ±4KV;经过严格的高低温测试
此方案开发MCU可控制自我诊断功能,并包含自动重启(在电源故障时会自动让微波炉恢复到此前的设置)、自动除臭、自动保护及防溢出等功能。微控制器使用时钟和定时器实现休眠模式并在工作中添加延迟,采用蜂鸣器(PWM型)生成不同频率的音调。
除此之外,其还能在工作完成时自动关闭微波炉,或在未使用/(用户)未设置时进入休眠模式,从而节省整体功耗。
工采网提供专业的单片机应用方案的设计和开发,电子产品方案的研发、MCU功能定制开发;有需要开发方案的朋友欢迎咨询:19168597394(微信同号)为您提供完整详细说明!
原文标题 : 国产32位MCU应用于微波炉上的方案开发,助力微波炉智能化升级
网址:国产32位MCU应用于微波炉上的方案开发,助力微波炉智能化升级 https://www.yuejiaxmz.com/news/view/1403005
相关内容
【微波炉保养】微波炉保养知识,微波炉清洁清洗方法微波炉发展微波炉发展.ppt
【微波炉、光波炉】
【微波炉旋波器】
【微波炉报价】微波炉价格行情
微波炉安装方法 微波炉架安装位置
【微波炉挂架】
【微波炉零件】
微波炉题目答案解析,微波炉题目答案解析
微波炉使用方法 微波炉清洗技巧

