微波炉技术
微波炉工作时,不要移动微波炉的位置。 #生活常识# #微波炉#
微波炉技术
东芝微波炉电路设计解决方案
用户对微波炉产品的期望值可谓日益提高,例如智能化,用户期望微波炉能够实现远程控制、语音操作、智能菜谱推荐等;多功能,微波炉不仅需要具备基本的加热功能,还...
2025-02-21标签:电路设计晶体管驱动电路2k0
微波炉磁控管工作原理是什么
微波炉是一种常见的家用电器,其核心部件是磁控管。磁控管是微波炉中产生微波的装置,它利用微波的电磁场来加热食物。 磁控管的基本结构 磁控管由以下几个主要部...
2024-10-18标签:家用电器微波炉电磁场4.9k0
微波炉磁控管怎样修理
微波炉作为现代厨房的得力助手,为我们节省了大量的烹饪时间。然而,当微波炉的磁控管出现故障时,整个设备就会停止工作。 一、磁控管的作用和工作原理 磁控管是...
2024-10-18标签:电流微波炉电子束4.4k0
微波炉是电磁波还是超声波
微波炉是一种常见的厨房电器,它利用微波辐射的加热效应将食物加热。微波炉的工作原理涉及到电磁波和超声波。本文将介绍微波炉的工作原理、电磁波和超声波的定义及...
2024-01-15标签:发射器超声波微波炉4k0
微波炉的工作原理是电流的热效应吗
微波炉的工作原理并非通过电流的热效应实现,而是利用了微波的特殊性质以及分子的共振吸收来加热食物的。 微波炉是一种利用高频无线电波的设备,它的工作原理基于...
2024-01-12标签:电流电磁辐射微波炉3.5k0
微波炉原理是电磁波吗
微波炉原理是电磁波。微波炉是一种利用电磁波加热食物的家用电器。它能够快速均匀地加热食物,成为现代家庭中不可或缺的厨房设备。本文将详细介绍微波炉的原理、工...
2024-01-11标签:电子设备家用电器微波炉4.6k0
怎么解决蓝牙自动断开的原因
蓝牙自动断开是很常见的问题,但它可能由多种原因引起。在解决这个问题之前,我们需要了解可能的原因和解决方法。 介绍蓝牙自动断开问题 蓝牙技术在现代生活中占...
2024-01-04标签:蓝牙扬声器无线路由器4.2万0
微波炉磁控管的工作原理是什么?
微波炉是现代家庭中不可或缺的厨房电器之一。而微波炉的核心部件是磁控管,它负责产生微波,并将其传递给食物以加热。在这篇文章中,我们将详细讨论微波炉磁控管的...
2023-12-25标签:磁场微波炉电能4.9k0
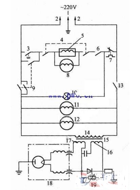
微波炉工作电路原理图
分享微波炉的工作电路原理图,微波炉的电路组成与工作原理,家用微波炉基本上都采用箱式结构,一种普及型微波炉电路的电路结构与电路原理图。
2023-05-31标签:继电器发生器微波炉2.9万0
浅谈微波炉里面的电路设计原理
控制电路板也就是PCB板上的二次回路,LG微波炉(WD700)程序比较多,二次回路还是比较复杂的。PCB板上的按键输入信号并不是直接触发晶闸管,而是把信...
2023-03-27标签:继电器pcb微波炉2.6k0
网址:微波炉技术 https://www.yuejiaxmz.com/news/view/1403015
相关内容
微波炉使用方法 微波炉清洗技巧微波炉选购指标 微波炉省电技巧
微波炉的危害解析 微波炉省电技巧
微波炉的清洗技巧 微波炉的优缺点
微波炉怎么保养 微波炉的清洁技巧
如何快速清洗微波炉 微波炉选购技巧
微波炉的维修技巧
微波炉的清洁保养技巧如何选购微波炉
微波炉的清洁技巧有哪些 微波炉十大品牌推荐
【微波炉报价】微波炉价格行情

