FlagStatus pwrclkchanged = RESET;
如何恢复出厂设置:使用专用的电视reset键或设置菜单中的恢复出厂设置选项。 #生活技巧# #家电维护技巧# #电视调看技巧#
OpenHarmony移植stm32步骤
FlagStatus pwrclkchanged = RESET;把代码移到上面,这个错误的意思是变量的定义和负值应该在代码执行之前就行了。
2021-06-23 11:26:10
reset API使用示例步骤
时钟和复位是两个不同的驱动,但通常都是由负责clock驱动的人,把reset驱动完成。同样,reset驱动也是由芯片厂商去完成的。 reset API使用示例 基本步骤: 1、调用
2023-09-27 14:17:51
Linux内核reset驱动实例
reset驱动实例 类似于clock驱动,reset驱动也是编进内核的,在Linux启动时,完成reset驱动的加载。 设备树 reset : reset
2023-09-27 14:21:51
Linux的reset复位API说明
devm_reset_control_get struct reset_control *devm_reset_control_get( struct device *dev, const char
2023-09-27 14:14:02
Linux reset子系统有什么功能
Linux reset子系统 reset子系统非常简单,与clock子系统非常类似,但在驱动实现上,reset驱动更简单。 因为clock驱动主要是时钟的实现,涉及到固定时钟、分频、门控等一些时钟
2023-09-27 14:06:40
reset_primary函数的执行流程
reset_primary函数的执行 以CONFIG_BOOT_SYNC_CPU使能为例, 在使能PSCI系统中,不需要使能此宏 。 reset_primary函数执行流程
2023-11-02 18:06:10
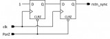
什么是复位同步电路 reset synchronizer?
复位同步电路 reset synchronizer 其实只在复位信号 release 的时候派上用场。复位结束后,这个电路其实就没用了。 但这个电路的时钟还在 switch,这个电路还在耗电。
2024-02-19 09:21:01
stm32库函数问题
statusreg = 0;FlagStatus bitstatus = RESET;/* Check the parameters */assert_param(IS_RCC_FLAG(RCC_FLAG
nvywyerwer 2019-05-27 03:47:44
Reset复位电路的PCB布局布线要求
Reset复位电路的PCB布局布线要求 —来源:瑞芯微RK3588 PCB设计白皮书 Reset复位电路是一种用来使电路恢复到起始状态的电路设计,一般简单的复位电路由电容串阻电阻构成,再复杂点就有
2023-08-03 07:45:01
ARMv8-A架构处理器的Reset vector入口地址
Reset vector入口地址很重要,因为只有以这个地址作为起始地址将程序固化到非易失存储器(比如ROM、NOR Flash等),处理器上电复位时才能找到Reset vector代码,顺利地完成bring-up。
2023-06-09 14:24:11
为什么sys_reset保持低位?
嗨,我有以下问题:在系统中我使用FPGA,我也用它来驱动sys_reset引脚。一切正常,工作正常,直到我将sys_reset驱动为低电平,这会重置系统,但sys_reset永远不会再次上升,因此
lmxh123 2019-06-12 10:17:32
变量在源文件和头文件中的定义问题
在stm32f10x_it.h头文件中加个extern关键字再一次定义为extern __IO FlagStatusTime_1ms_flag?typedef enum {RESET = 0, SET = !RESET} FlagStatus
jionging 2020-03-12 03:04:39
RESET怎么连接重置的位置
, a state machine and many other block. So, I don't know where connect the reset. For small code
hetao1111 2018-10-08 17:40:23
AD9834的RESET位使用问题
目前已经用2片AD9833做出2路波形发生器。因无法完全达到一同步。所以产生了对RESET引脚的一些问题。AD9833与AD9834一起问。 1.只需要在AD9833或9834上电之后,进行一次复位
se6238751 2018-12-17 09:16:14
6678的system reset地址异常
同一批6678板卡,其中有2块板卡在使用仿真器加载程序后,system reset指向了0x20b00000,RBL的首地址。但是第3块板卡system reset后指向了0x70000030这个
h1654155360.9302 2021-09-23 09:24:28
用定时器的输入捕获来计算输入信号的周期
问题,一是输入时间太长,超过定时器的周期,溢出;二是怎么获得2次捕获,进而计算出输入时间。用一个全局的结构体变量,处理相关数据typedef struct{FlagStatus Egde;//Egde = SET表示当前处于高电平;Egde = RESET表示当前处于低电平;uint8 uc.
daitz 2022-01-06 08:10:48
电源管理入门-3. provider-reset驱动
复杂SoC内部有很多具有独立功能的硬件模块,例如CPU cores、GPU cores、USB控制器、MMC控制器、等等,出于功耗、稳定性等方面的考虑,有些SoC在内部为这些硬件模块设计了复位信号(reset signals),软件可通过寄存器(一般1个bit控制1个硬件)控制这些硬件模块的复位状态。
2023-10-16 17:11:29
请问一下Reset信号如何实现同步呢
首先来复习一个更加基础的概念:同步reset和异步reset。同步reset(synchronous reset)是说,当reset信号为active的时候,寄存器在下一个时钟沿到来之后被复位,时钟
hongqiaolian 2022-11-09 15:04:13
常用单片机的reset引脚介绍
常用单片机的reset引脚是由轻触按键及上拉电阻、消抖电容组成的复位电路,这种电路适合用在产品验证阶段,但如果是便携式成品电路,不可能单独流出个按键做reset使用,那就需要使用自动复位了。而
香脆面 2021-11-24 06:22:38
如何在posedge CLK处启用RESET的测试平台
你好,我正在为我的一个模块创建一个简单的测试平台。我正在尝试设计一个执行以下测试工作台:1)我想最初“重置为高”,{CLK高或低在这种情况下无关紧要。},2)“当CLK为高电平时,RESET为低电平
aaaa321 2019-07-22 12:43:38
请问RESET引脚是否有内部上拉?
你好, RESET引脚是否有内部上拉? 当它漂浮在我的STA311B上时,似乎RESET引脚上总是“0”......当我试图用外部电阻将其上拉到VCC时,它会下降到15 mA。这是否意味着我
cmh22 2019-07-19 13:49:24
加载更多
网址:FlagStatus pwrclkchanged = RESET; https://www.yuejiaxmz.com/news/view/1383730
相关内容
STM32+ESP01S(WIFI)上传温湿度(DHT11)至巴法云+手机appReset your PC
杨金宇|人体系统重置(Reset) :一日之际在于晨
reset
《财富大重置:改变你的工作、财富和生活》THE GREAT MONEY RESET: Change Your Work, Change Your Wealth, Change Your Life
电子手表怎样调整星期?怎样确定时间? 图'class= 爱问知识人
使用妙记
如何接入生活物联网的以太网设备
基于STM32设计的智能空调
在日历中查看、编辑任务

